Оборудование
Стандартная серия поворотных столов (мотор справа), производства компании Tanshing (Тайвань).
ТЕХНИЧЕСКИЕ ХАРАКТЕРИСТИКИ:
Модель |
VRNC-125 |
VRNC-170 |
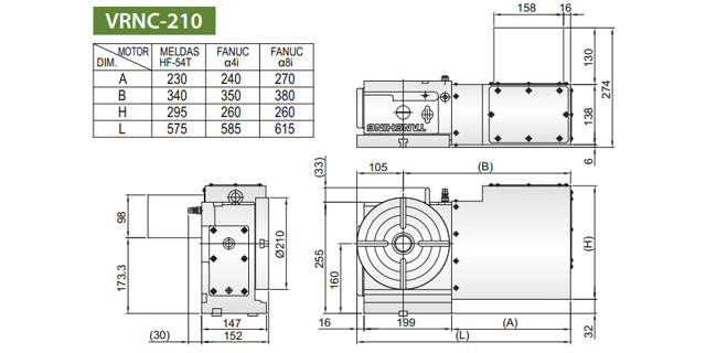
VRNC-210 |
Диаметр стола, мм |
125 |
170 |
210 |
Высота стола при горизонтальной установке, мм |
152 |
152 |
152 |
Высота центров при вертикальной установке, мм |
110 |
135 |
160 |
Диаметр сквозного центрального отверстия, мм |
13Н7 |
37Н7 |
45Н7 |
Ширина Т-пазов, мм |
12Н7 |
12Н7 |
12Н7 |
Ширина направляющего блока, мм |
14Н7 |
18Н7 |
18Н7 |
Мин. дискретность перемещения, град. |
0,001 |
0,001 |
0,001 |
Точность индексирования, сек. |
40" |
20" |
20" |
Повторяемость, сек. |
4" |
4" |
4" |
Сервомотор FANUC |
α2i |
α4i |
α4i |
Сервомотор MELDAS |
HF-75T |
HF-54T |
HF-54T |
Общее передаточное число |
1/90 |
1/90 |
1/90 |
Макс. обороты, об/мин |
44.4 (4000) |
44.4 (4000) |
44.4 (4000) |
Давление / зажимная система, кг/см2 |
5 / Pneumatic |
5 / Pneumatic |
5 / Pneumatic |
Зажимной момент, кг-м |
8 |
8 |
8 |
Макс. нагрузка, вертикальная, кг |
50 |
75 |
75 |
Макс. нагрузка, горизонтальная, кг |
100 |
150 |
150 |
Макс. нагрузка, с задней бабкой, кг |
100 |
150 |
150 |
Макс. момент инерции, кг-см-сек2 |
2 |
4,9 |
4,9 |
Вес нетто (без двигателя), кг |
25 |
38 |
43 |
КОНСУЛЬТАЦИЯ:
Задать вопрос
СМОТРИТЕ ТАКЖЕ:
Оборудование: companyamg.ru / coamg.ru Сервис: amgcnc.ru / амгчпу.рф
Обслуживание станков и поставка запчастей следующих производителей: Accura Technics, AgieCharmilles, Akira-Seiki, AlexTech, Alzmetall, Accuway, Amada, Aristech, Arrow, Awea, Balluff, Barrufaldi, Boschert, Bridgeropt, Breton, Boehringer, Cincinnati, Chevalier, Chiron, Chmer, Citizen, Cosen, Deckel, Deckel-Maho, Dahlin, Daewoo, DMC, Delem, Delta, Dixi Machines, DMG-Deckel, DMG-Gildemeister, DMG-Mori, Doosan, Duplomatic, Eppinger, Eagle, Ecoca, EMAG, EMCO, Maier, Euromac, Fadal, Fagor, Fanuc CNC, FOUR-STAR, FUJI, Feeler, Farina, Femco, Fermat, First, FocusCNC, Force One, Fryer, Ganro, GE FANUC, GOODWAY, GF, Gidemeister, HACO, Hanwha, HARDINGE, Handtmann, HEIDENHAIN, HITACHI, Honor, HWACHEON, Hurco, HNK, Huron, HERMLE, HYUNDAI, Index, JONES & SHIPMAN, JOVYATLAS, Kia, Kent, Kitamura, Knuth, LEADWELL, LITZ, Liechti, Lio Shing, MAKELSAN, MAG, Mill Star, Micron, Mitsubishi, Mitsui Seiki, MAXIMART, Miyano, Mori Seiki, M.T., MAS, MICROCUT, NAKAMURA, Nikolas Correa, Nomura, Nexturn, Okuma, Pinnacle, Paragon, Puma, Romi, Salvagnini, Samsung, Scharmann, SIEMENS, SIMODRIVE, SIMATIC, Schaublin, Sunmill, Sauter, Sigma, SNK, Nissin, Shigiya, Spinner, Star, Star Machine, StarragHechert, Studer, Supertec, Toyoda, Takamaz, Takang, Takisawa, Tanshing, TJR, TOPPER, Tong Tai, Tos, Tos Vansdofr, Top Work, Tornos, Traub, Tsugami, Twinhorn, Victor, WFL, Waterjet, Willemin Macodel, YCM и др.
Компания АМГ / Company AMG / Alfa Machinery Group © 2026
